Dos décadas de experiencia en la industria, centrándose en la innovación tecnológica de seguridad...
LEER MÁS
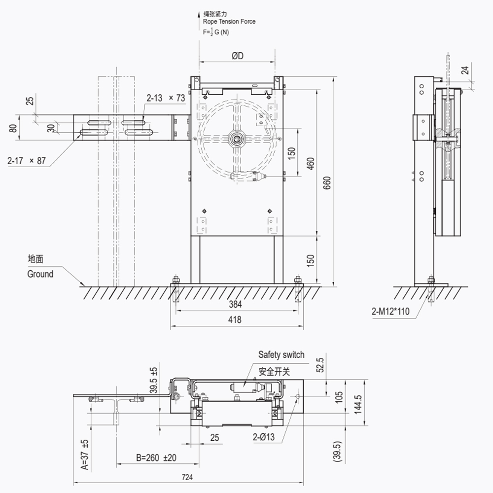
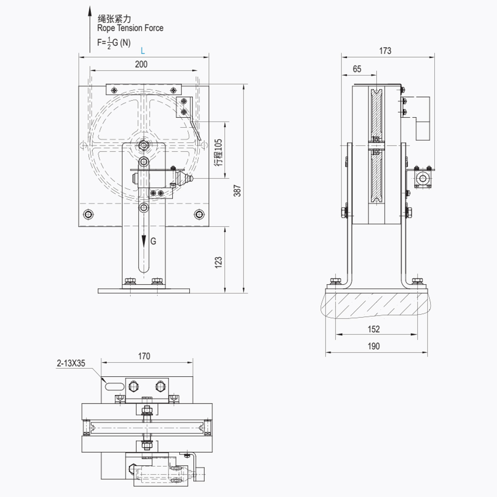
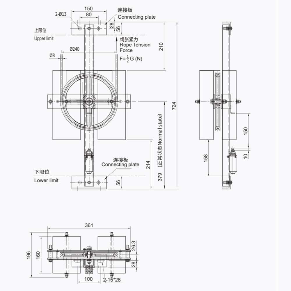
El dispositivo tensor vertical es un dispositivo mecánico que se utiliza para mantener una tensión constante en el cable del regulador de velocidad o en la cadena de compensación en el sistema del ascensor. Adopta un método de tensión por gravedad vertical hacia abajo.
Dos décadas de experiencia en la industria, centrándose en la innovación tecnológica de seguridad...
LEER MÁSFreno de cuerda de ascensor Los sistemas representan mecanismos de seguridad crítico...
LEER MÁSElevador de material de seguridad Los sistemas son la última línea de defensa mecáni...
LEER MÁSComprender la tecnología central el Gobernador de sobrevelocidad de precisión es...
LEER MÁSEn la industria del transporte vertical, la confiabilidad de componentes de seguridad del...
LEER MÁSEn la sofisticada arquitectura del transporte vertical moderno, la seguridad no es simplemente un...
LEER MÁSComprensión de los sistemas de ascensores con equipo de seguridad Elevador de equipo de...
LEER MÁS